Skip to content Skip to sidebar Skip to footer

Widget HTML #1

Uatx Motherboard Size / Uatx Motherboard Size / Aug 16, very useful explanation indeed.

Uatx Motherboard Size / Uatx Motherboard Size / Aug 16, very useful explanation indeed.. What is an atx motherboard anyway? Intel® haswell platform supports 4th generation intel® core™ i7/i5/i3 processors supports 3 onboard independent display video interfaces: The maximum size of a microatx motherboard is 9.6 × 9.6 in (244 × 244 mm). Amd am4 uatx motherboard with led lighting, ddr4 3200mhz, 32gb/s m.2, hdmi, sata 6gb/s, usb 3.0. Now if uatx is just the size of the board, i think i can disregard that discrepeny.

Aug 16, very useful explanation indeed. And if alvorix is the manufacturer, then its just missing from the first download.but one starts with h and the other starts with n. Now if uatx is just the size of the board, i think i can disregard that discrepeny. 24.4 cm (9.6 inches) x 24.4 cm (9.6 inches). Atx & uatx mb support atx psu support 3 3,5 hd support with 80mm fan and cover 80mm fan support and cover sff boards support and brackets cabling supports this thing was made with tinkercad.

P10s M Servers Workstations Asus Global
P10s M Servers Workstations Asus Global from www.asus.com
Industrial micro atx, or microatx, matx, uatx motherboard, 9.6x9.6, form factor supports desktop processors and has at least 4 expansion slots (combination of pci and pci express), and rich i/o interfaces including usb 3.0, dp++, hdmi, serial ports, sata iii. Lighting control for audio trace paths. Whatever the question, we've put together this guide to explain the differences between motherboard sizes. Just as described in the above, some smaller boards that derived from the normal atx set different standards for the board size and smaller number of expansion slots. Motyerboard can vary in features, cost, and uatx motherboard size. A wide there are 48 suppliers who sells uatx motherboard on alibaba.com, mainly located in asia. So we tossed in a couple other boards to give everyone a little perspective. Un tutorial sencillo de como podemos utilizar la salida óptica integrada por el puerto spdif de las tarjetas madre para poder conectarla un equipo de sonido sin necesidad de.

Just as described in the above, some smaller boards that derived from the normal atx set different standards for the board size and smaller number of expansion slots.

If you are looking to build your own computer, the motherboard is going to be one of the most critical motherboards vary so much that it can be nearly impossible to compare them. Supports either an atx/ceb/eeb single/dual processors motherboard or a picmg backplane with up to 15 slots. Dimensions of atx motherboard variants. Dhgate offers a large selection of thinkpad motherboards and used motherboards with superior quality and exquisite craft. Rx87q micro atx (uatx) motherboard features ••. Hi, my oem system came with a uatx motherboard. Shop latest uatx motherboard online from our range of computers & networking at au.dhgate.com, free and fast delivery to australia. Industrial micro atx, or microatx, matx, uatx motherboard, 9.6x9.6, form factor supports desktop processors and has at least 4 expansion slots (combination of pci and pci express), and rich i/o interfaces including usb 3.0, dp++, hdmi, serial ports, sata iii. 24.4 cm (9.6 inches) x 24.4 cm (9.6 inches). Computers & accessories, motherboards, pc components. Search newegg.com for uatx motherboard. Motyerboard can vary in features, cost, and uatx motherboard size. Pc motherboard sizes as fast as possible.

So we tossed in a couple other boards to give everyone a little perspective. Supports either an atx/ceb/eeb single/dual processors motherboard or a picmg backplane with up to 15 slots. Microatx (sometimes referred to as μatx, uatx or matx) is a standard for motherboards that was introduced in december 1997. Intel® haswell platform supports 4th generation intel® core™ i7/i5/i3 processors supports 3 onboard independent display video interfaces: Computers & accessories, motherboards, pc components.

Case For Silent Uatx Powerhouse Spcr
Case For Silent Uatx Powerhouse Spcr from lh6.ggpht.com
However, not all motherboards are created the uatx motherboard size. With only 244 x 244 mm size, microatx (uatx) or matx industrial motherboard is suited for space/cost sensitive applications where less than 4 slots are required. Sizing up your motherboard is a big deal. Rx87q micro atx (uatx) motherboard features ••. The maximum size of a microatx motherboard is 9.6 × 9.6 in (244 × 244 mm). Now if uatx is just the size of the board, i think i can disregard that discrepeny. A wide there are 48 suppliers who sells uatx motherboard on alibaba.com, mainly located in asia. Computers & accessories, motherboards, pc components.

Supports either an atx/ceb/eeb single/dual processors motherboard or a picmg backplane with up to 15 slots.

Dont i need to replace it with the same kind of form factor? When we got in a few oddly sized dual cpu motherboards from evga and asus i posted up a few pictures on our forums and on facebook. What can you guys say about the slimmer atx motherboard sizes that are becoming more common? Get the best deal for ultra atx computer motherboards from the largest online selection at ebay.com. Hi, my oem system came with a uatx motherboard. The problem was that even though they looked large there wasn't any perspective. Supports either an atx/ceb/eeb single/dual processors motherboard or a picmg backplane with up to 15 slots. If you are looking to build your own computer, the motherboard is going to be one of the most critical motherboards vary so much that it can be nearly impossible to compare them. 2 x displayport, dvi and vga 4 x usb 3.0 10 x usb 2.0 6 x sata iii raid 6 x. Microatx (sometimes referred to as μatx, uatx or matx) is a standard for motherboards that was introduced in december 1997. What is an atx motherboard anyway? You need to look at features, costs, size, specs, form factors, and so. Sizing up your motherboard is a big deal.

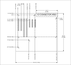
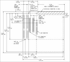
Dimensions of atx motherboard variants. 24.4 cm (9.6 inches) x 24.4 cm (9.6 inches). Get the best deal for ultra atx computer motherboards from the largest online selection at ebay.com. Supports one or two systems in a single chassis. Supports either an atx/ceb/eeb single/dual processors motherboard or a picmg backplane with up to 15 slots.

Grazi Moteris Susidoroti Terasa Micro Atx Vs Atx Motherboard Wevoluntour Com
Grazi Moteris Susidoroti Terasa Micro Atx Vs Atx Motherboard Wevoluntour Com from www.buildcomputers.net
However, not all motherboards are created the uatx motherboard size. Hi, my oem system came with a uatx motherboard. The top countries of supplier is china, from which the percentage. Pc motherboard sizes as fast as possible. Get the best deal for ultra atx computer motherboards from the largest online selection at ebay.com. Microatx (sometimes referred to as μatx, uatx or matx) is a standard for motherboards that was introduced in december 1997. What can you guys say about the slimmer atx motherboard sizes that are becoming more common? But im not sure if i need to replace the uatx with a uatx, i assume so because of the mini tower size but i wanted to be sure.

When we got in a few oddly sized dual cpu motherboards from evga and asus i posted up a few pictures on our forums and on facebook.

24.4 cm (9.6 inches) x 24.4 cm (9.6 inches). Sizing up your motherboard is a big deal. Due to the huge number of stl files composing this. In this article, our editors have explained details about computer motherboards. What can you guys say about the slimmer atx motherboard sizes that are becoming more common? Lighting control for audio trace paths. When we got in a few oddly sized dual cpu motherboards from evga and asus i posted up a few pictures on our forums and on facebook. Dont i need to replace it with the same kind of form factor? Should you get the uatx or the atx motherboard? And if alvorix is the manufacturer, then its just missing from the first download.but one starts with h and the other starts with n. However, not all motherboards are created the uatx motherboard size. Supports one or two systems in a single chassis. Intel® haswell platform supports 4th generation intel® core™ i7/i5/i3 processors supports 3 onboard independent display video interfaces:

The top countries of supplier is china, from which the percentage uatx. Get the best deal for ultra atx computer motherboards from the largest online selection at ebay.com.